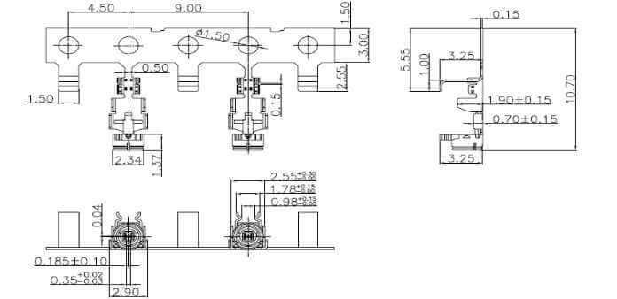
2 件 IPEX 阿联酋vs丹麦亚盘 RF II. 带 RF0.81 黑色同轴电缆的公管

料号:EB-013-0008
标签:射频阿联酋vs丹麦亚盘 , IPEX II., 同轴电缆
产品特点:

  • 根据 ROHS 标准制造的高质量低损耗 IPEX rf 同轴阿联酋vs丹麦亚盘 (也称为 MHF/UFL 阿联酋vs丹麦亚盘 );

  • 包括不同型号的电缆阿联酋vs丹麦亚盘 和PCB阿联酋vs丹麦亚盘 供选择;

  • 高品质与30天100%退款;

  • 从OEM原厂,同样的质量与更好的价格。

频率范围 直流-6GHz
绝缘电阻 • 500MΩ
电压额定值 60V 交流电(rms)
当前评级 0.5A 交流
承受电压 200V 交流电
工作温度 -40°C 至 +90°C